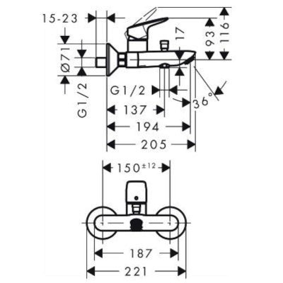
Informazioni tecniche su un miscelatore per vasca esterno della marca Logis. Di seguito sono riportati i dettagli tecnici rilevanti:
- Finiture: cromo
- Codice articolo: 71400000
- Lunghezza bocca erogazione: 194 mm
- Tipo di getto: getto normale
- Portata: 22 l/min
- Adatto per caldaie istantanee
In base a queste informazioni, possiamo dedurre che il miscelatore per vasca esterno Logis è progettato per essere installato all'esterno della vasca da bagno e ha una finitura cromata che lo rende resistente e durevole. La lunghezza della bocca di erogazione è di 194 mm, il che fornisce un'ampia copertura per l'erogazione dell'acqua.
Il miscelatore è progettato per un getto normale con una portata di 22 litri al minuto, il che significa che offre un flusso d'acqua costante e adeguato per le esigenze di una vasca da bagno. Inoltre, è specificato che è adatto per caldaie istantanee, il che implica che può essere utilizzato con sistemi di riscaldamento ad acqua istantanea senza problemi di compatibilità.
Infine, si menziona che sono disponibili ulteriori dettagli online sul sito web del produttore www.hansgrohe.it, il che potrebbe fornire informazioni aggiuntive o istruzioni per l'installazione e l'uso corretto del miscelatore.
In conclusione, il miscelatore per vasca esterno Logis sembra essere una scelta adatta per installazioni idrauliche in ambienti domestici, offrendo un design elegante e prestazioni tecniche adeguate per un utilizzo efficiente e confortevole.
- Finiture: cromo
- Codice articolo: 71400000
- Lunghezza bocca erogazione: 194 mm
- Tipo di getto: getto normale
- Portata: 22 l/min
- Adatto per caldaie istantanee
In base a queste informazioni, possiamo dedurre che il miscelatore per vasca esterno Logis è progettato per essere installato all'esterno della vasca da bagno e ha una finitura cromata che lo rende resistente e durevole. La lunghezza della bocca di erogazione è di 194 mm, il che fornisce un'ampia copertura per l'erogazione dell'acqua.
Il miscelatore è progettato per un getto normale con una portata di 22 litri al minuto, il che significa che offre un flusso d'acqua costante e adeguato per le esigenze di una vasca da bagno. Inoltre, è specificato che è adatto per caldaie istantanee, il che implica che può essere utilizzato con sistemi di riscaldamento ad acqua istantanea senza problemi di compatibilità.
Infine, si menziona che sono disponibili ulteriori dettagli online sul sito web del produttore www.hansgrohe.it, il che potrebbe fornire informazioni aggiuntive o istruzioni per l'installazione e l'uso corretto del miscelatore.
In conclusione, il miscelatore per vasca esterno Logis sembra essere una scelta adatta per installazioni idrauliche in ambienti domestici, offrendo un design elegante e prestazioni tecniche adeguate per un utilizzo efficiente e confortevole.













