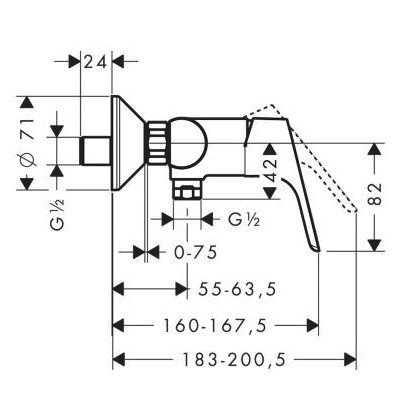
Analisi tecnica del miscelatore monocomando per doccia esterno DN15:
1. Tipo di connessione: Il miscelatore è dotato di connessioni a S, che sono comunemente utilizzate per collegare i tubi dell'acqua in modo sicuro e affidabile.
2. Interasse: L'interasse del miscelatore è di 150 mm ± 12 mm, il che significa che la distanza tra i due punti di connessione è compresa tra 138 mm e 162 mm. Questa informazione è importante per garantire una corretta installazione del miscelatore.
3. Portata: Il miscelatore ha una portata di 22 l/min, che indica la quantità di acqua che può fluire attraverso il miscelatore in un minuto. Questo dato è utile per valutare le prestazioni del miscelatore e per assicurarsi che fornisca la quantità di acqua desiderata durante l'utilizzo.
4. Valvola antiriflusso: La presenza di una valvola antiriflusso è un importante dispositivo di sicurezza che impedisce al flusso d'acqua di invertirsi, evitando così il rischio di contaminazione dell'acqua potabile.
In base alle informazioni fornite, il miscelatore monocomando per doccia esterno DN15 sembra essere un prodotto di alta qualità e sicuro da installare. È importante seguire attentamente le istruzioni di installazione e assicurarsi che sia compatibile con il sistema idraulico esistente. Per ulteriori dettagli e specifiche tecniche, è consigliabile consultare il sito web del produttore all'indirizzo www.hansgrohe.it.
1. Tipo di connessione: Il miscelatore è dotato di connessioni a S, che sono comunemente utilizzate per collegare i tubi dell'acqua in modo sicuro e affidabile.
2. Interasse: L'interasse del miscelatore è di 150 mm ± 12 mm, il che significa che la distanza tra i due punti di connessione è compresa tra 138 mm e 162 mm. Questa informazione è importante per garantire una corretta installazione del miscelatore.
3. Portata: Il miscelatore ha una portata di 22 l/min, che indica la quantità di acqua che può fluire attraverso il miscelatore in un minuto. Questo dato è utile per valutare le prestazioni del miscelatore e per assicurarsi che fornisca la quantità di acqua desiderata durante l'utilizzo.
4. Valvola antiriflusso: La presenza di una valvola antiriflusso è un importante dispositivo di sicurezza che impedisce al flusso d'acqua di invertirsi, evitando così il rischio di contaminazione dell'acqua potabile.
In base alle informazioni fornite, il miscelatore monocomando per doccia esterno DN15 sembra essere un prodotto di alta qualità e sicuro da installare. È importante seguire attentamente le istruzioni di installazione e assicurarsi che sia compatibile con il sistema idraulico esistente. Per ulteriori dettagli e specifiche tecniche, è consigliabile consultare il sito web del produttore all'indirizzo www.hansgrohe.it.














